Uncategorised for Riello Rl28 652T1 3473220
Brand: Riello Range: RL28 Model: 652T1 3473220
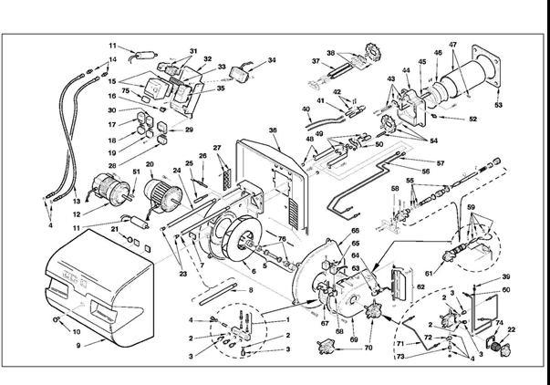
We have a wide range of spare parts for the Riello Rl28 652T1 3473220. Can't find the part you're looking for? You can contact us and a member of our team will be more than happy to help find the part you need.
All of our boiler manuals are free to download from our boiler manuals section
You can narrow your results further by choosing one of the following sub-appliances:
