Uncategorised for Riello Rl38 653T1 3474123
Brand: Riello Range: RL38 Model: 653T1 3474123
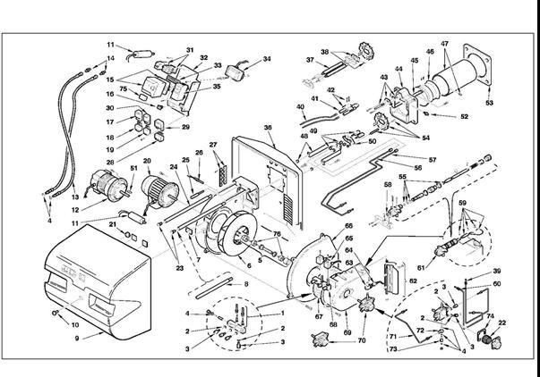
We have a wide range of spare parts for the Riello Rl38 653T1 3474123. Can't find the part you're looking for? You can contact us and a member of our team will be more than happy to help find the part you need.
All of our boiler manuals are free to download from our boiler manuals section
You can narrow your results further by choosing one of the following sub-appliances:
