Uncategorised for Sime Dewy 30/130 HE FS
Brand: Sime Range: Dewy Model: 30/130 HE FS GC Number: 47-283-05
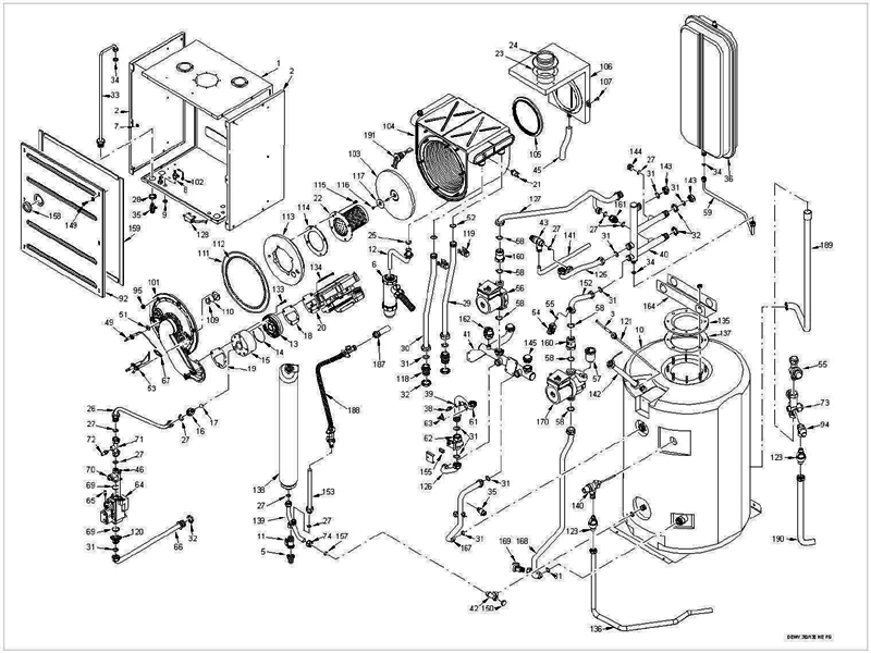
Here you will find all the spare parts for the Sime Dewy 30/130 He FS. Can't find the part you're looking for? You can contact us and a member of our team will be more than happy to help find the part you need.
Installation ManualAll of our boiler manuals are free to download from our boiler manuals section
You can narrow your results further by choosing one of the following sub-appliances:

