Uncategorised for Vaillant Ecomax 828/2 E (2001-2007)
Brand: Vaillant Range: ECOmax Model: 828/2 E (2001-2007) GC Number: 47-044-17
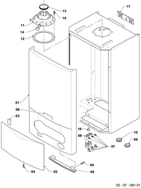
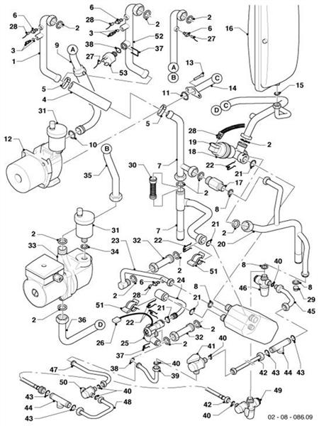
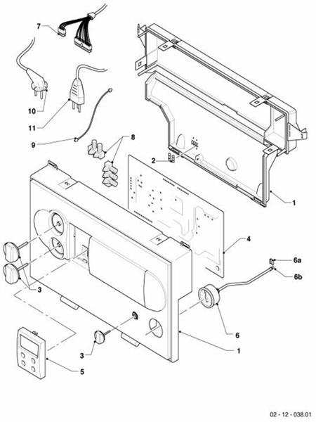
Here you can find the spare parts for the Vaillant Ecomax 828/2 E (2001-2007). Can't find the part you're looking for? You can contact us and a member of our team will be more than happy to help find the part you need.
Installation ManualAll of our boiler manuals are free to download from our boiler manuals section
You can narrow your results further by choosing one of the following sub-appliances:
5
Vaillant 0020052092 Clamp - Pack of 2 - Ecomax VU/Ecotec Exclusive/Emax VU
Part No: 1383911 MPN: 0020052092
12
Vaillant 0020130491 Cover Control Slot - Grey - Emax/Thermocompact/Turbomax+
Part No: 1385361 MPN: 0020130491




